Multiple
Switching Operation is a system where the street light can be energized and
de-energized (switch ON and OFF) from multiple location by simply a push button
switch. Figure below (A) illustrate the
layout of the street lights (L1,L2,L3…Ln) which are installed in the street of
camp M. By pressing any one of the push button switches P1,P2,P3,P4, and P5
installed in buildings A,B,C,D, and E respectively, one can switch On and OFF
the street lights.
Multiple
Switching Operation applied to lights in a camp
Control Circuit Operation
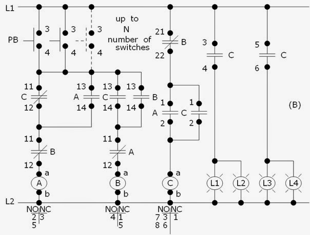
Figure
below (B) illustrates the control circuit of a multiple switching operation.
Encircled A and B maybe the power made of relay or contactors. Encircled C is
the power contactor that will energized the street lights (L1,L2,L3…Ln)
directly from the source.
Pressing
any one of the five push button switches (P1,P2,P3,P4 and P5) will energized
contactor A. For example, pressing the push button switch P3 which is at the
Administrator building will cause the contactor A to be energize. Contact A
(13-14) will maintained contactor A energize until the push button P3 is still
being pressed. Contact A (11-12) opens so that it will not give contactor B a
chance to be energize. Contact A (1-2) will close to energize contactor C.
Advertisement
With
contactor C energized, Contacts C(3-4) and C (5-6) will closed to energized the
street lights (L1,L2,L3…Ln). Contacts C (1-2) will close to maintain contactor
C continuously energized. Contact C (13-14) will closed but it cannot energized contactor B even if the push button
P3 is still being pressed because contact A (11-12) is presently open and if
the push button P3 is still being pressed, it cannot be de-energize contactor A
since contact A (13-14) is closed.
Releasing
the push button P3 from being pressed will be de-energize contactor A. Contact
A (13-14) will open but it will not serve as a purpose anymore. Contact A
(11-12) is close again but it will not energize contactor B even if contactor C
(13-14) is closed since none of the five push button are close anymore. Contact
A (1-2) will open but it will not de-energize contactor C since contactor C
(1-2) is maintain close condition and contact B (21-22) is closed. Therefore,
contactor C remains energize as well as the street lights even if the push
button P3 is release from being pressed.
Pressing
again one of the five push button switches (P1,P2,P3,P4 and P5), say push
buttonP5,will energized contactor B because contact C (13-14) is currently at
closed condition. Contactor A cannot be energized because contacts C (11-12) is
still held open With contactor B (21-22) will also open to de-energize
contactor C. Contact C (1-2,3-4,4-5) will now open to de-energize the street
lights (L1,L2,L3…Ln) Contact C (1-2) will open. Contact C (13-14) will also
open but it will cannot de-energize contactor B while push button P5 is still
being pressed, because B (11-12) is still held at open condition. At this
condition, while push button is still being pressed, the street light will
remain de-energize.
Releasing
push button P5 will de-energize contactor B. Contact B (11-12) will close but
it will not energize contactor A since none of the five push button are closed.
Contacts B (13-14) will open and will not affect contactor B anymore. Contact B
(21-2) will close but has no more effect in energizing contactor C since
contact A (1-2) and C (1-2) are now at open condition. Thus, de-energizing of
the street lights some to the final stage.
If it is again desired to energize the street
lights pressed again any one of the five push buttons.
Note: There is no limit as to the desire number of
the push button in the controlling the street lights. Unlimited number of push
button can be added in the parallel with the five push button just discussed.
Read Next Article:---> AUTOMATIC SWITCHING “ON” AND “OFF” OF THE STREET LIGHTS BY USING SUNLIGHT USING THE PHOTO-ELECTRIC CONTROL
Back to Previous Article:<--- MULTI SWITCHING SYSTEM WITH AUTOMATIC TIME DELAY OFF (MSTDO)
Read Next Article:---> AUTOMATIC SWITCHING “ON” AND “OFF” OF THE STREET LIGHTS BY USING SUNLIGHT USING THE PHOTO-ELECTRIC CONTROL
Back to Previous Article:<--- MULTI SWITCHING SYSTEM WITH AUTOMATIC TIME DELAY OFF (MSTDO)


0 comments:
Post a Comment